Skip to content Skip to sidebar Skip to footer

P2096 Post Catalyst Fuel Trim System Too Lean Bank 1

P2096 2007 Ford Fusion Pos Sistema De Compensacao De Combustivel Para Catalisadores Muito Magro Banco 1 Auto Codes 2021

P2096 2007 Ford Fusion Pos Sistema De Compensacao De Combustivel Para Catalisadores Muito Magro Banco 1 Auto Codes 2021

P2096 post catalyst fuel trim system too lean bank 1. The 2017 Nissan Frontier is ranked 4 in 2017 Compact Pickup Trucks by U. What is that and what should I do about it. Our certified mobile mechanics can come to your home or office to perform the Check Engine Light diagnostic for.

This allows for normal wear and tear. This can happen for multiple reasons and a mechanic needs to diagnose the specific cause for this code to be triggered in your situation. Lean airfuel ratio - Low fuel pressure aa2.

It specifically indicates that your Versa detected that it is running too lean too much air for the amount of fuel present. Therefore we recommend that you go through some basic details about the catalyst and the fuel system to understand better the meaning of too lean versus too rich fuel. P2096-downstream fuel trim system 1 lean When Monitored.

An engine needs the correct amount of air and fuel to run properly. P2096 is a generic OBD II code which means that it has the same meaning for the Nissan Versa as it would any other vehicle. Repair Information for P2096 Nissan code.

The first time the CEL came on around 28. Diagnostic trouble code DTC P2097 stands for Post Catalyst Fuel Trim System Too Rich Bank 1. P2096 Post Catalyst Fuel Trim System Too Lean Bank.

POST CATALYST FUEL TRIM SYS B1 Post catalyst fuel trim system too lean bank 1 The output voltage computed by ECM from the AF sensor 1 signal is shifts to the lean side for a specified period. P2096 LINCOLN Post Catalyst Fuel Trim System Too Lean Bank 1. What does the P2096 code mean.

P2096 MERCEDES-BENZ Post Catalyst Fuel Trim System Too Lean Bank 1. DTC P2096 - Post Catalyst Fuel Trim System Too Lean Bank 1 Lean mixture code could be caused by a leakage in the rubber boot that is between the throttle body similar to a.

P2096 2007 Ford Fusion Code Post Catalyst Fuel Trim System Too Lean Bank 1

P2096 2007 Ford Fusion Code Post Catalyst Fuel Trim System Too Lean Bank 1

P2096 Obd Ii Trouble Code Post Catalyst Fuel Trim System Too Lean

P2096 Obd Ii Trouble Code Post Catalyst Fuel Trim System Too Lean

P2096 Code Post Catalyst Fuel Trim System Too Lean Bank 1 In The Garage With Carparts Com

P2096 Code Post Catalyst Fuel Trim System Too Lean Bank 1 In The Garage With Carparts Com

P2096 Post Catalytic Fuel Trim Bank 1 System Too Lean 996 Series Carrera Carrera 4 Carrera 4s Targa Renntech Org Community

P2096 Post Catalytic Fuel Trim Bank 1 System Too Lean 996 Series Carrera Carrera 4 Carrera 4s Targa Renntech Org Community

P2096 Code Post Catalyst Fuel Trim System Too Lean Bank 1 In The Garage With Carparts Com

P2096 Code Post Catalyst Fuel Trim System Too Lean Bank 1 In The Garage With Carparts Com

Jeep Compass Renegade Code P2096 Downstream Fuel Trim Code P0100 Youtube

Jeep Compass Renegade Code P2096 Downstream Fuel Trim Code P0100 Youtube

P2096 Code Post Catalyst Fuel Trim System Too Lean Bank 1 In The Garage With Carparts Com

P2096 Code Post Catalyst Fuel Trim System Too Lean Bank 1 In The Garage With Carparts Com

P2096 Post Catalyst Fuel Trim System Too Lean Obd Advisor

P2096 Post Catalyst Fuel Trim System Too Lean Obd Advisor

P2097 Post Catalytic Converter Fuel Trim Ft Bank 1 Too Rich Troublecodes Net

P2097 Post Catalytic Converter Fuel Trim Ft Bank 1 Too Rich Troublecodes Net

Opel Vectra P2096 Post Catalyst Fuel Trim System Too Lean Bank 1 Drivetrain Resource

Opel Vectra P2096 Post Catalyst Fuel Trim System Too Lean Bank 1 Drivetrain Resource

Fuel Trim System Too Lean Youtube

Fuel Trim System Too Lean Youtube

P2096 Code Post Catalyst Fuel Trim System Too Lean Bank 1 In The Garage With Carparts Com

P2096 Code Post Catalyst Fuel Trim System Too Lean Bank 1 In The Garage With Carparts Com

P2096 Code Air Flow Ratio Too Lean Causes Symptoms And How To Fix

P2096 Code Air Flow Ratio Too Lean Causes Symptoms And How To Fix

P2098 2010 Ford Fusion Code Post Catalyst Fuel Trim System Too Lean Bank 2

P2098 2010 Ford Fusion Code Post Catalyst Fuel Trim System Too Lean Bank 2

Partsavatar Ca P2096 Obd Ii Error Code Solution

Partsavatar Ca P2096 Obd Ii Error Code Solution

P2096 Code Post Catalyst Fuel Trim System Too Lean Bank 1 In The Garage With Carparts Com

P2096 Code Post Catalyst Fuel Trim System Too Lean Bank 1 In The Garage With Carparts Com

Part 1 2010 Bmw 528i 3 0 P2096 Post Catalyst Fuel Trim System Too Lean Bank 1 Youtube

Part 1 2010 Bmw 528i 3 0 P2096 Post Catalyst Fuel Trim System Too Lean Bank 1 Youtube

Help P2096 Post Catalyst Fuel Trim System Too Lean Bank 1 Rx8club Com

Help P2096 Post Catalyst Fuel Trim System Too Lean Bank 1 Rx8club Com

P2096 Subaru Trouble Code Ricks Free Auto Repair Advice Ricks Free Auto Repair Advice Automotive Repair Tips And How To

P2096 Subaru Trouble Code Ricks Free Auto Repair Advice Ricks Free Auto Repair Advice Automotive Repair Tips And How To

How To Fix P2096 Engine Code In 4 Minutes 2 Diy Methods Only 9 53 Youtube

How To Fix P2096 Engine Code In 4 Minutes 2 Diy Methods Only 9 53 Youtube

Partsavatar Ca P2096 Obd Ii Error Code Solution

Partsavatar Ca P2096 Obd Ii Error Code Solution

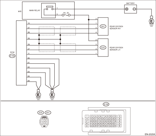
Subaru Legacy Service Manual Dtc P2096 Post Catalyst Fuel Trim System Too Lean Bank 1 Diagnostic Procedure With Diagnostic Trouble Code Dtc

Subaru Legacy Service Manual Dtc P2096 Post Catalyst Fuel Trim System Too Lean Bank 1 Diagnostic Procedure With Diagnostic Trouble Code Dtc

Easy Fix P2096 Post Catalyst Fuel Trim System Too Lean Bank 1

Easy Fix P2096 Post Catalyst Fuel Trim System Too Lean Bank 1

3

3

Got A 2007 Hyandai Accent With A Check Engine Lite I Scanned It And The Code Is P2096 Post Catalyst Fuel Trim System Too

Got A 2007 Hyandai Accent With A Check Engine Lite I Scanned It And The Code Is P2096 Post Catalyst Fuel Trim System Too

Check Engine Light On Hello I Was Driving The Other Day And

Check Engine Light On Hello I Was Driving The Other Day And

P2096 Post Catalytic Converter Fuel Trim Ft Bank 1 Too Lean Troublecodes Net

P2096 Post Catalytic Converter Fuel Trim Ft Bank 1 Too Lean Troublecodes Net

Check Engine Cruze 2010 1 8 Automatic Chevrolet Cruze Forums

Check Engine Cruze 2010 1 8 Automatic Chevrolet Cruze Forums

Solved 07 335i Code P2096 Issues Bmw 3 Series E90 E92 Forum

Solved 07 335i Code P2096 Issues Bmw 3 Series E90 E92 Forum

P2096 Code Post Catalyst Fuel Trim System Too Lean Bank 1 In The Garage With Carparts Com

P2096 Code Post Catalyst Fuel Trim System Too Lean Bank 1 In The Garage With Carparts Com

2011 Ford Escape 2 5l 2wd Code P2096

2011 Ford Escape 2 5l 2wd Code P2096

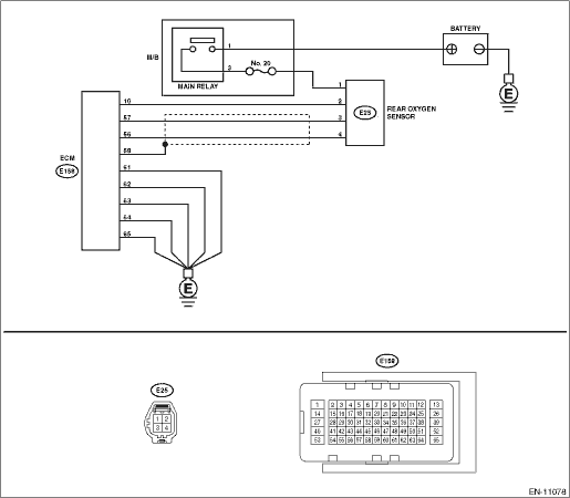
Subaru Crosstrek Service Manual Dtc P2096 Post Catalyst Fuel Trim System Too Lean Bank 1 Diagnostic Procedure With Diagnostic Trouble Code Dtc

Subaru Crosstrek Service Manual Dtc P2096 Post Catalyst Fuel Trim System Too Lean Bank 1 Diagnostic Procedure With Diagnostic Trouble Code Dtc

Too Lean Dodge Dart Forum

Too Lean Dodge Dart Forum

Code 2096 Post Catalystfuel Trim Systemtoo Lean Bank 1 Page 3 North American Motoring

Code 2096 Post Catalystfuel Trim Systemtoo Lean Bank 1 Page 3 North American Motoring

3jojnu838mnbwm

3jojnu838mnbwm

How To Fix P2096 Code Post Catalyst Fuel Trim System

How To Fix P2096 Code Post Catalyst Fuel Trim System

Code 2096 Post Catalystfuel Trim Systemtoo Lean Bank 1 Page 3 North American Motoring

Code 2096 Post Catalystfuel Trim Systemtoo Lean Bank 1 Page 3 North American Motoring

Solved I Have A Code P2096 Post Catalyst Trim System Too Fixya

Solved I Have A Code P2096 Post Catalyst Trim System Too Fixya

Subaru Legacy Service Manual Dtc P2096 Post Catalyst Fuel Trim System Too Lean Bank 1 Diagnostic Procedure With Diagnostic Trouble Code Dtc

Subaru Legacy Service Manual Dtc P2096 Post Catalyst Fuel Trim System Too Lean Bank 1 Diagnostic Procedure With Diagnostic Trouble Code Dtc

P2096 Code Post Catalyst Fuel Trim System Too Lean Bank 1 In The Garage With Carparts Com

P2096 Code Post Catalyst Fuel Trim System Too Lean Bank 1 In The Garage With Carparts Com

Codigo De Problema P2096 Obd Ii Pos Sistema De Compensacao De Combustivel Catalisador Muito Magro Banco 1 Artigos 2021

Codigo De Problema P2096 Obd Ii Pos Sistema De Compensacao De Combustivel Catalisador Muito Magro Banco 1 Artigos 2021

P2098 Fuel Trim System After Catalyst Too Lean Bank 2 Description Symptoms Causes Of Error

P2098 Fuel Trim System After Catalyst Too Lean Bank 2 Description Symptoms Causes Of Error

Solved What Does Code P2096 Mean For 2005 Magnum Se Fixya

Solved What Does Code P2096 Mean For 2005 Magnum Se Fixya

Yet Another P2096 Thread Rx8club Com

Yet Another P2096 Thread Rx8club Com

Code P2096 Hyundai Elantra 11 2021

Code P2096 Hyundai Elantra 11 2021

Mazda 3 With Fault Code P2096 Post Catalyst Fuel Trim System Too Lean Bank 1 Afi Australia Fuel Injection Engine Management And Ignition System Parts

Mazda 3 With Fault Code P2096 Post Catalyst Fuel Trim System Too Lean Bank 1 Afi Australia Fuel Injection Engine Management And Ignition System Parts

P2096 Trouble Code Diagnosis Causes Symptoms How To Fix Obd Ii Code P2096 Autozone

P2096 Trouble Code Diagnosis Causes Symptoms How To Fix Obd Ii Code P2096 Autozone

Hyundai I20 P2096 Engine Error Code Hyundai I20 P2096 Obd Ii Diagnostic Powertrain P Trouble Code For Hyundai I20 Engineerrorcode Com

Hyundai I20 P2096 Engine Error Code Hyundai I20 P2096 Obd Ii Diagnostic Powertrain P Trouble Code For Hyundai I20 Engineerrorcode Com

3

3

The code P2096 post catalyst fuel trim system too lean on bank 1 simply translates to a lean too much air and not enough fuel condition the PCM recognized through the signals from the oxygen sensors.

Code P2096 stands for Post Catalyst Fuel Trim System Too Lean Bank 1. P2096 is a generic OBD II code which means that it has the same meaning for the Nissan Versa as it would any other vehicle. Bank 1 is the side of the engine with the first spark plug in the firing order. LongFT_1 Long term fuel trim bank 1 ShrtFT_1 Short term fuel trim bank1 etc They indicate how much fuel is being added fuel trim or removed - fuel trim from the base fuel mapcalculation. A ratio that has too much oxygen in it is said to be lean whereas a ratio with too much fuel is said to be rich. Our certified mobile mechanics can come to your home or office to perform the Check Engine Light diagnostic for. P2096 Post Catalytic Fuel Trim Bank 1 System Too Lean. Lean airfuel ratio - Low fuel pressure aa2. P2096 is a generic OBD II code which means that it has the same meaning for the Subaru Outback as it would any other vehicle.


A ratio that has too much oxygen in it is said to be lean whereas a ratio with too much fuel is said to be rich. This allows for normal wear and tear. Therefore we recommend that you go through some basic details about the catalyst and the fuel system to understand better the meaning of too lean versus too rich fuel. Cars feels like its running fine. The 2017 Nissan Frontier is ranked 4 in 2017 Compact Pickup Trucks by U. What does the P2096 code mean. See attached pic for graphic.

Post a Comment for "P2096 Post Catalyst Fuel Trim System Too Lean Bank 1"